ESL4Z-7
Esinctrl
| штат: | |
|---|---|
| Количество: | |
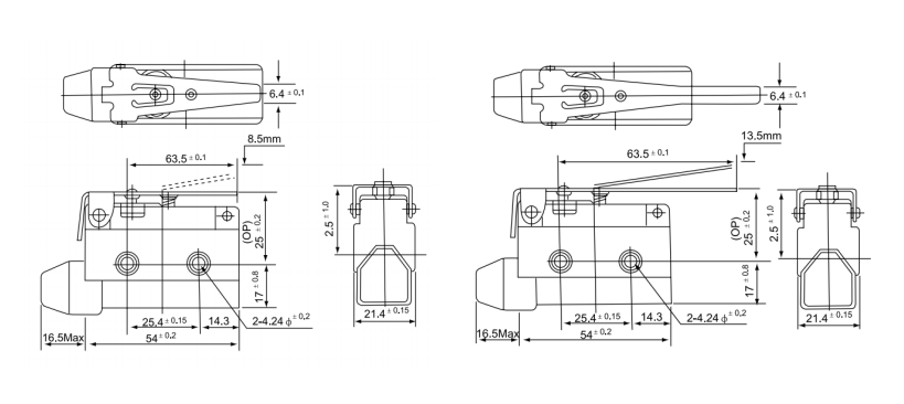
Серия ESL4Z-7 с высокой механической предельной прочности совместима с размерами установки ESMZ. Они предлагают 9 типов приводов, таких как пружинный плунжер, шарнирные стержни и т. Д., А также поддерживают нагрузки промышленного класса 10A/250 В переменного тока. Подходит для требовательных сценариев, таких как лифты и автоматизированное оборудование, с 500 000 циклом электрического срока службы, гарантирующей надежную работу.
Более высокая механическая прочность
Привод оснащен высоким уровнем добычи пружинной стали и инженерной смолы (например, тип W4/W41). Вибрация (сопротивление вибрации при 55 Гц/1,5 мм) может противостоять регулярному воздействию на производственную линию.
500 000 циклов электрических работ гарантируют
прохождение 5 × 10⁵ операций для проверки:
1) Устойчивость к воздействию 300 м/с (эквивалентно гравитационному ускорению 30 г)
2) Температурный диапазон от -20 до 70 ℃ (включая среду высокотемпературных семинаров)
Руководство по выбору привода
| Используя ситуацию | Тип привода | Преимущество |
| Вертикальное воздействие (штамповка) | NJ67: прут -прут | Антилатеральная сила, 120 г низкой эксплуатационной силы |
| В боковой скольжение (на конвейерной ленте) | W61: односторонний шарнирный рычаг, смоляный ролик | Анти-верный ложный запуск |
| Точное позиционирование (для роботизированных рук) | D1: Spring Plunger | ± 0,8 мм ультра-мрачная толерантность |
Защита от перерывов: все приводы разработаны с буфером из перерыва 2-6 мм (см. Страницы 6-8 для таблицы), чтобы предотвратить механическую перегрузку.
Устойчивость к всплескам: поддерживает 30A (NC)/15A (NO) Втоп вызов (стр. 2), непосредственно обращаясь к влиянию нагрузок двигателя/индуктора
Серия ESL4Z-7 с высокой механической предельной прочности совместима с размерами установки ESMZ. Они предлагают 9 типов приводов, таких как пружинный плунжер, шарнирные стержни и т. Д., А также поддерживают нагрузки промышленного класса 10A/250 В переменного тока. Подходит для требовательных сценариев, таких как лифты и автоматизированное оборудование, с 500 000 циклом электрического срока службы, гарантирующей надежную работу.
Более высокая механическая прочность
Привод оснащен высоким уровнем добычи пружинной стали и инженерной смолы (например, тип W4/W41). Вибрация (сопротивление вибрации при 55 Гц/1,5 мм) может противостоять регулярному воздействию на производственную линию.
500 000 циклов электрических работ гарантируют
прохождение 5 × 10⁵ операций для проверки:
1) Устойчивость к воздействию 300 м/с (эквивалентно гравитационному ускорению 30 г)
2) Температурный диапазон от -20 до 70 ℃ (включая среду высокотемпературных семинаров)
Руководство по выбору привода
| Используя ситуацию | Тип привода | Преимущество |
| Вертикальное воздействие (штамповка) | NJ67: прут -прут | Антилатеральная сила, 120 г низкой эксплуатационной силы |
| В боковой скольжение (на конвейерной ленте) | W61: односторонний шарнирный рычаг, смоляный ролик | Анти-верный ложный запуск |
| Точное позиционирование (для роботизированных рук) | D1: Spring Plunger | ± 0,8 мм ультра-мрачная толерантность |
Защита от перерывов: все приводы разработаны с буфером из перерыва 2-6 мм (см. Страницы 6-8 для таблицы), чтобы предотвратить механическую перегрузку.
Устойчивость к всплескам: поддерживает 30A (NC)/15A (NO) Втоп вызов (стр. 2), непосредственно обращаясь к влиянию нагрузок двигателя/индуктора