NNG1 (M) серия противоположных
CLION
| штат: | |
|---|---|
| Количество: | |
Противосторонние реле Anterference Solid State (SSR) играют важную роль в области промышленного контроля из-за их превосходных результатов.
В SSR противоположность используется расширенная конструкция для эффективной противодействия электромагнитным помехам (EMI) и радиочастотным помехам (RFI). Поскольку SSR работают на основе полупроводниковых устройств, они не генерируют сами электромагнитные поля по сравнению с традиционными механическими реле, поэтому они менее чувствительны к внешним электромагнитным помехам. Эта особенность особенно важна в промышленных средах, где электромагнитное излучение, генерируемое такими устройствами, как двигатели, реле, инверторы и т. Д., Может оказать влияние на традиционные механические реле, в то время как SSR лучше способны противостоять этому помехам.
SSR известен своей долговечностью и длительным жизненным циклом. Теоретически, если ток не превышает 1/3 рейтинга, в отсутствие перенапряжения, высокой температуры и нормального рассеяния тепла, SSR может использоваться не менее 5-10 лет. Его внутренним основным компонентом является тиристор, который принадлежит к компонентам полупроводников Power, и теоретически количество времени отключения может достичь 10 до 12-й мощности, что намного превышает 10-й до 5-й мощности обычных контактов с переменным током.
SSR не имеет движущихся механических деталей, поэтому в работе нет механических действий, и он имеет преимущества перед EMR, такие как сопротивление удару и сопротивление механическому удару. Эта характеристика заставляет SSR работать стабильно даже в окружающей среде высокого воздействия и вибрации. Из -за неотъемлемых характеристик компонентов, которые составляют SSR, определяются долгий срок службы и высокая достоверность SSR.
SSR разработан с учетом удобства пользователя. Они обычно поддерживают различные соединения и методы монтажа, такие как монтаж панели и рельса, а также термические силиконовые листы в качестве стандартных, и имеют полную систему аксессуаров, такую как радиаторные и монтажные рельс -крепости, которые чрезвычайно просты в использовании.
Устойчивость к фальсификации SSR также является важной особенностью. Они обычно имеют четкую идентификацию конца управления и конец нагрузки, чтобы обеспечить безопасность подключения пользователя. Эта конструкция помогает предотвратить несанкционированный доступ и подделка, особенно в приложениях, где безопасность имеет решающее значение.
Таким образом, противопоставление SSR обеспечивает надежное решение в области промышленной автоматизации и управления с его высокой надежностью, длительным сроком службы, шоковым и вибрационным сопротивлением, легкостью использования и защитой от несущей.
| Управляющее напряжение | 3-32VDC |
| Контрольный ток | 6-25 мА |
| Подключенное напряжение | 3VDC |
| Отключение напряжения | 1 В |
| Нагрузка напряжения | 22: 24-240VAC 38: 24-440VAC |
| Ток загрузки | 10a, 15a, 20a, 25a, 30a, 40a, 60a, 80a, 100a |
| Температура окружающей среды | -30 ~ 80 ℃ |
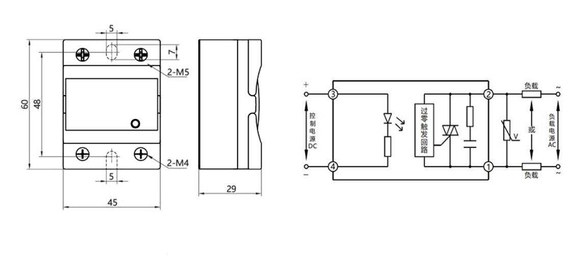
| Измерение | 60 × 45 × 29 мм |
Противосторонние реле Anterference Solid State (SSR) играют важную роль в области промышленного контроля из-за их превосходных результатов.
В SSR противоположность используется расширенная конструкция для эффективной противодействия электромагнитным помехам (EMI) и радиочастотным помехам (RFI). Поскольку SSR работают на основе полупроводниковых устройств, они не генерируют сами электромагнитные поля по сравнению с традиционными механическими реле, поэтому они менее чувствительны к внешним электромагнитным помехам. Эта особенность особенно важна в промышленных средах, где электромагнитное излучение, генерируемое такими устройствами, как двигатели, реле, инверторы и т. Д., Может оказать влияние на традиционные механические реле, в то время как SSR лучше способны противостоять этому помехам.
SSR известен своей долговечностью и длительным жизненным циклом. Теоретически, если ток не превышает 1/3 рейтинга, в отсутствие перенапряжения, высокой температуры и нормального рассеяния тепла, SSR может использоваться не менее 5-10 лет. Его внутренним основным компонентом является тиристор, который принадлежит к компонентам полупроводников Power, и теоретически количество времени отключения может достичь 10 до 12-й мощности, что намного превышает 10-й до 5-й мощности обычных контактов с переменным током.
SSR не имеет движущихся механических деталей, поэтому в работе нет механических действий, и он имеет преимущества перед EMR, такие как сопротивление удару и сопротивление механическому удару. Эта характеристика заставляет SSR работать стабильно даже в окружающей среде высокого воздействия и вибрации. Из -за неотъемлемых характеристик компонентов, которые составляют SSR, определяются долгий срок службы и высокая достоверность SSR.
SSR разработан с учетом удобства пользователя. Они обычно поддерживают различные соединения и методы монтажа, такие как монтаж панели и рельса, а также термические силиконовые листы в качестве стандартных, и имеют полную систему аксессуаров, такую как радиаторные и монтажные рельс -крепости, которые чрезвычайно просты в использовании.
Устойчивость к фальсификации SSR также является важной особенностью. Они обычно имеют четкую идентификацию конца управления и конец нагрузки, чтобы обеспечить безопасность подключения пользователя. Эта конструкция помогает предотвратить несанкционированный доступ и подделка, особенно в приложениях, где безопасность имеет решающее значение.
Таким образом, противопоставление SSR обеспечивает надежное решение в области промышленной автоматизации и управления с его высокой надежностью, длительным сроком службы, шоковым и вибрационным сопротивлением, легкостью использования и защитой от несущей.
| Управляющее напряжение | 3-32VDC |
| Контрольный ток | 6-25 мА |
| Подключенное напряжение | 3VDC |
| Отключение напряжения | 1 В |
| Нагрузка напряжения | 22: 24-240VAC 38: 24-440VAC |
| Ток загрузки | 10a, 15a, 20a, 25a, 30a, 40a, 60a, 80a, 100a |
| Температура окружающей среды | -30 ~ 80 ℃ |
| Измерение | 60 × 45 × 29 мм |