NNC68B
CLION
| штат: | |
|---|---|
| Количество: | |
Представляя серию NNC68B, линию миниатюрных промежуточных реле мощности, предназначенных для точности и надежности в различных приложениях. Производившись к надежной конструкции и компактному форм -фактору, эти реле являются воплощением эффективности и долговечности.
Особенности продукта:
Миниатюрный дизайн: серия NNC68B может похвастаться миниатюрной формой, что делает ее идеальной для ограниченных космических средств, где каждый миллиметр считается.
Светодиодный индикатор SMD: оснащен светодиодным индикатором поверхностного устройства (SMD), эти реле обеспечивают четкое визуальное подтверждение состояния работы.
Индикатор механической работы: для дополнительного удобства включен механический индикатор работы, что обеспечивает надежность в средах, где визуальные индикаторы могут быть недостаточно.
Кнопка для тестирования заблокируется: уникальная функция, блокируемая тестовая кнопка обеспечивает легкую диагностику и тестирование без необходимости дополнительных инструментов.
Универсальные контактные столбы: доступны с 2-4 контактными полюсами, эти реле могут быть адаптированы для удовлетворения широкого спектра требований к переключению.
Высокая возможность переключения: способная обрабатывать до 10А, серия NNC68B идеально подходит для приложений, требующих высокого переключения тока.
Терминалы PCB и припоя: предлагая как терминалы PCB, так и паяльные терминалы, эти реле обеспечивают гибкость в установке и интеграции.
Соответствие ROHS: в соответствии с экологическими стандартами, серия NNC68B соответствует ROHS, обеспечивая устойчивость и экологичность.
Преимущества продукта:
Опция герметичного типа: для применений, требующих дополнительной защиты от пыли и влаги, доступен вариант герметичного типа.
Настраиваемая с помощью именной пластины и тестовой кнопки: опция включить табличку имен и тестовая кнопка позволяет настраивать в соответствии с конкретными рабочими потребностями.
Индикаторы светодиодного и диода: варианты со светодиодными и диодными индикаторами обеспечивают визуальную обратную связь для мониторинга состояния, улучшая взаимодействие с пользователем.
Несколько контактных форм: с различными контактными формами, такими как ZC (CO), HA (NO) и DB (NC), эти реле могут быть настроены для соответствия различным приложениям переключения.
Широкий диапазон напряжений катушки: совместим с широким спектром напряжений катушки DC и AC, серия NNC68B является универсальной для различных источников питания.
Высокий рейтинг контакта: реле рассчитаны на высокую контактную сопротивление, обеспечивая длительную и надежную производительность.
Контактный материал Agalloy: Использование Agalloy (AGSNO2) для контактного материала, эти реле обеспечивают превосходную электрическую проводимость и долговечность.
Механическая и электрическая выносливость: с минимумом 1x10^7 операций для механической выносливости и 1x10^5 для электрической выносливости эти реле построены на последнее время.
Стандарты безопасности и окружающей среды: соблюдение строгих безопасности и экологических стандартов с такими сертификатами, как UL, TUV, CQC и CE, эти реле являются надежными и совместимыми для мировых рынков.
Заключение:
Серия NNC68B представляет собой вершину технологии реле, объединяя компактную конструкцию с высокой производительностью и универсальностью. Благодаря приверженности качеству и соответствию, эти реле являются предпочтительным выбором для инженеров, ищущих надежное и эффективное решение для их потребностей в переключении.
Nnc68bvl (my2n, my4n) реле общего назначения |
| ||||||||
Модель и описание | |||||||||
My2n, my4n |
|
| |||||||
Спецификация | |||||||||
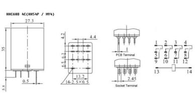
Измерение | 27,3 мм*21 мм*36,2 мм | ||||||||
Контактная функция | Форма | 2z (dpdt); 2h (dpst-no); 2d (dpst-nc) | 4Z (4pdt); 4h (4pst-no); 4d (4pst-nc) | ||||||
Номинальная нагрузка | 6,5a/10a | 5A | |||||||
Максимальное напряжение переключения | 240VAC/28 В постоянного тока | ||||||||
Контактное сопротивление | ≤100 мОм | ||||||||
Материал | Ag сплав (Agsno2) | ||||||||
Электрическая жизнь | ≥1*105 | ||||||||
Механическая жизнь | ≥1*107 | ||||||||
Работайте напряжение (23 ℃) | DC: ≤75%*Номинальное напряжение, AC: ≤80%*Номинальное напряжение | ||||||||
Напряжение высвобождения (23 ℃) | DC: ≥10%*Номинальное напряжение, AC: ≥30%*Номинальное напряжение | ||||||||
Максимальное напряжение (23 ℃) | 110%*Номинальное напряжение | ||||||||
Напряжение катушки | DC6-220V, AC6-380V (настройка разрешена) | ||||||||
Сила катушки | DC: 0,9 Вт, AC: 1,2VA | ||||||||
Время забора | ≤15 мс | ||||||||
Время выпуска | ≤10 мс | ||||||||
Диэлектрическая прочность | Между открытыми контактами того же полюса | 1000VAC за 1 минуту | |||||||
Между контактами разных полюсов | 1000VAC за 1 минуту | ||||||||
Между контактами и катушкой | 1500VAC за 1 минуту/4500VAC в течение 1 минуты | ||||||||
Устойчивость к изоляции | ≥100 мОм (500 В постоянного тока) | ||||||||
Температура окружающей среды | -40 ° C ~ 85 ° C. | ||||||||
Окружающая влажность | 45%-85%RH | ||||||||
Атмосферное давление | 86-106KPA | ||||||||
Шоковое сопротивление | 10G (синусоидальный полу-волновой пульс: 11 мс) | ||||||||
Вибрационное сопротивление | 10-55 Гц (двойная амплитуда: 1,5 мм) | ||||||||
Установка | PCB или гнездо с DIN RAIL или VINT | ||||||||
Масса | Примерно 33 г/ПК | Примерно 35 г/ПК | |||||||
Упаковка | Картон с бумажной коробкой внутри | 600pcs/carton, gw: 21 кг, северо -запад: 20 кг, размер (мм): 330 × 310 × 345 | |||||||
Схема подключения и вид внизу | |||||||||
Представляя серию NNC68B, линию миниатюрных промежуточных реле мощности, предназначенных для точности и надежности в различных приложениях. Производившись к надежной конструкции и компактному форм -фактору, эти реле являются воплощением эффективности и долговечности.
Особенности продукта:
Миниатюрный дизайн: серия NNC68B может похвастаться миниатюрной формой, что делает ее идеальной для ограниченных космических средств, где каждый миллиметр считается.
Светодиодный индикатор SMD: оснащен светодиодным индикатором поверхностного устройства (SMD), эти реле обеспечивают четкое визуальное подтверждение состояния работы.
Индикатор механической работы: для дополнительного удобства включен механический индикатор работы, что обеспечивает надежность в средах, где визуальные индикаторы могут быть недостаточно.
Кнопка для тестирования заблокируется: уникальная функция, блокируемая тестовая кнопка обеспечивает легкую диагностику и тестирование без необходимости дополнительных инструментов.
Универсальные контактные столбы: доступны с 2-4 контактными полюсами, эти реле могут быть адаптированы для удовлетворения широкого спектра требований к переключению.
Высокая возможность переключения: способная обрабатывать до 10А, серия NNC68B идеально подходит для приложений, требующих высокого переключения тока.
Терминалы PCB и припоя: предлагая как терминалы PCB, так и паяльные терминалы, эти реле обеспечивают гибкость в установке и интеграции.
Соответствие ROHS: в соответствии с экологическими стандартами, серия NNC68B соответствует ROHS, обеспечивая устойчивость и экологичность.
Преимущества продукта:
Опция герметичного типа: для применений, требующих дополнительной защиты от пыли и влаги, доступен вариант герметичного типа.
Настраиваемая с помощью именной пластины и тестовой кнопки: опция включить табличку имен и тестовая кнопка позволяет настраивать в соответствии с конкретными рабочими потребностями.
Индикаторы светодиодного и диода: варианты со светодиодными и диодными индикаторами обеспечивают визуальную обратную связь для мониторинга состояния, улучшая взаимодействие с пользователем.
Несколько контактных форм: с различными контактными формами, такими как ZC (CO), HA (NO) и DB (NC), эти реле могут быть настроены для соответствия различным приложениям переключения.
Широкий диапазон напряжений катушки: совместим с широким спектром напряжений катушки DC и AC, серия NNC68B является универсальной для различных источников питания.
Высокий рейтинг контакта: реле рассчитаны на высокую контактную сопротивление, обеспечивая длительную и надежную производительность.
Контактный материал Agalloy: Использование Agalloy (AGSNO2) для контактного материала, эти реле обеспечивают превосходную электрическую проводимость и долговечность.
Механическая и электрическая выносливость: с минимумом 1x10^7 операций для механической выносливости и 1x10^5 для электрической выносливости эти реле построены на последнее время.
Стандарты безопасности и окружающей среды: соблюдение строгих безопасности и экологических стандартов с такими сертификатами, как UL, TUV, CQC и CE, эти реле являются надежными и совместимыми для мировых рынков.
Заключение:
Серия NNC68B представляет собой вершину технологии реле, объединяя компактную конструкцию с высокой производительностью и универсальностью. Благодаря приверженности качеству и соответствию, эти реле являются предпочтительным выбором для инженеров, ищущих надежное и эффективное решение для их потребностей в переключении.
Nnc68bvl (my2n, my4n) реле общего назначения |
| ||||||||
Модель и описание | |||||||||
My2n, my4n |
|
| |||||||
Спецификация | |||||||||
Измерение | 27,3 мм*21 мм*36,2 мм | ||||||||
Контактная функция | Форма | 2z (dpdt); 2h (dpst-no); 2d (dpst-nc) | 4Z (4pdt); 4h (4pst-no); 4d (4pst-nc) | ||||||
Номинальная нагрузка | 6,5a/10a | 5A | |||||||
Максимальное напряжение переключения | 240VAC/28 В постоянного тока | ||||||||
Контактное сопротивление | ≤100 мОм | ||||||||
Материал | Ag сплав (Agsno2) | ||||||||
Электрическая жизнь | ≥1*105 | ||||||||
Механическая жизнь | ≥1*107 | ||||||||
Работайте напряжение (23 ℃) | DC: ≤75%*Номинальное напряжение, AC: ≤80%*Номинальное напряжение | ||||||||
Напряжение высвобождения (23 ℃) | DC: ≥10%*Номинальное напряжение, AC: ≥30%*Номинальное напряжение | ||||||||
Максимальное напряжение (23 ℃) | 110%*Номинальное напряжение | ||||||||
Напряжение катушки | DC6-220V, AC6-380V (настройка разрешена) | ||||||||
Сила катушки | DC: 0,9 Вт, AC: 1,2VA | ||||||||
Время забора | ≤15 мс | ||||||||
Время выпуска | ≤10 мс | ||||||||
Диэлектрическая прочность | Между открытыми контактами того же полюса | 1000VAC за 1 минуту | |||||||
Между контактами разных полюсов | 1000VAC за 1 минуту | ||||||||
Между контактами и катушкой | 1500VAC за 1 минуту/4500VAC в течение 1 минуты | ||||||||
Устойчивость к изоляции | ≥100 мОм (500 В постоянного тока) | ||||||||
Температура окружающей среды | -40 ° C ~ 85 ° C. | ||||||||
Окружающая влажность | 45%-85%RH | ||||||||
Атмосферное давление | 86-106KPA | ||||||||
Шоковое сопротивление | 10G (синусоидальный полу-волновой пульс: 11 мс) | ||||||||
Вибрационное сопротивление | 10-55 Гц (двойная амплитуда: 1,5 мм) | ||||||||
Установка | PCB или гнездо с DIN RAIL или VINT | ||||||||
Масса | Примерно 33 г/ПК | Примерно 35 г/ПК | |||||||
Упаковка | Картон с бумажной коробкой внутри | 600pcs/carton, gw: 21 кг, северо -запад: 20 кг, размер (мм): 330 × 310 × 345 | |||||||
Схема подключения и вид внизу | |||||||||