Микропереключатель НВ
CLION
| штат: | |
|---|---|
| Количество: | |
Micro Switch NV-16W — это высокопроизводительный переключатель, который включает в себя несколько ключевых функций для удовлетворения различных требований.Микропереключатели — это обычно используемые электронные переключатели, работающие на основе механического спускового механизма.Обычно они состоят из пружины и подвижного привода.
Когда к приводу прилагается внешняя сила, он перемещается, а затем возвращается в исходное положение за счет силы пружины.Движение привода приводит к размыканию или замыканию внутренних контактов переключателя, тем самым контролируя состояние включения/выключения цепи.
Привод микропереключателя может иметь различную форму и длину для удовлетворения различных требований применения.Это может быть шар, плоский стержень или выступающий стержень.В зависимости от формы и положения привода микровыключатели могут иметь различные методы срабатывания и характеристики действия.
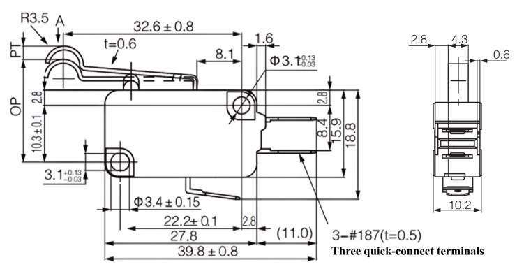
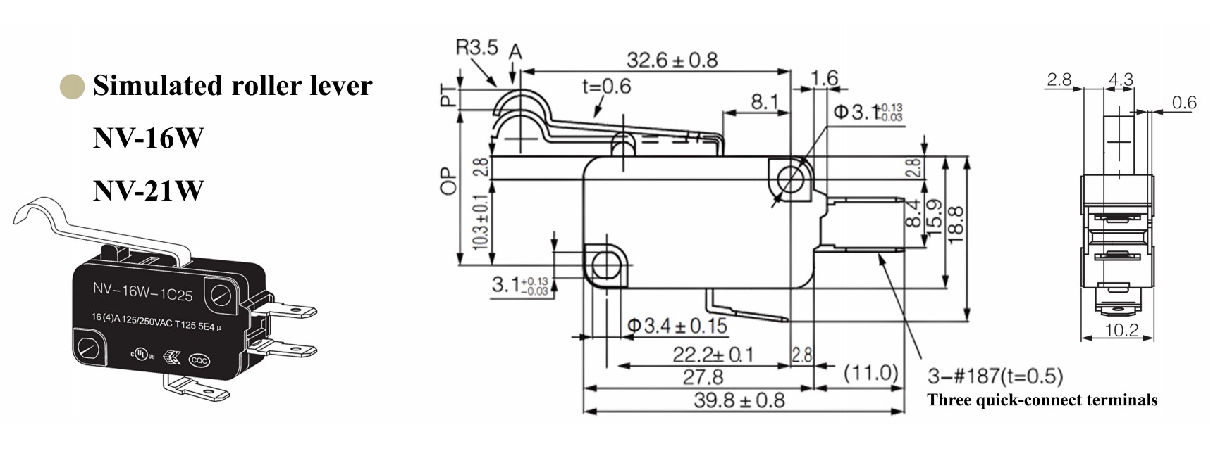
Микропереключатель NV-16W — это ультрасовременный переключатель, сочетающий в себе расширенные функции для удовлетворения широкого спектра требований.Благодаря конструкции, имитирующей роликовый рычаг, этот высокопроизводительный переключатель обеспечивает точное и надежное срабатывание.Он работает за счет использования рычага, который перемещает имитируемый ролик к набору контактов, обеспечивая точный контроль и обнаружение.
Примечательно, что микропереключатель NV-16W может похвастаться впечатляющей способностью выдерживать ток переключения до 21 А.Эта способность делает его отличным выбором для тяжелых условий эксплуатации в промышленном оборудовании, системах распределения электроэнергии и автомобильной промышленности.Переключатель гарантирует надежную работу и долговечность даже в тяжелых условиях.
Надежность, высокая чувствительность и длительный срок службы — ключевые характеристики микропереключателя NV-16W.В его конструкции используются высококачественные материалы и компоненты, обеспечивающие долговечность и стабильную работу в суровых условиях.Высокая чувствительность переключателя позволяет ему обнаруживать даже малейшее усилие или движение, что делает его пригодным для применений, требующих точного управления или обнаружения.Эта чувствительность повышает производительность системы, обеспечивая точное и быстрое переключение.
Микропереключатель NV-16W находит широкое применение в различных отраслях и отраслях.Он обычно используется, среди прочего, в промышленной автоматизации, робототехнике, системах распределения электроэнергии и автомобильной промышленности.Его универсальность, высокая коммутационная способность, надежность, чувствительность и длительный срок службы делают его идеальным выбором для приложений, требующих точного управления, тяжелого переключения и длительной работы.
В заключение отметим, что микропереключатель NV-16W — это усовершенствованный переключатель, в котором используется конструкция с имитацией роликового рычага, обеспечивающая надежность, высокую чувствительность и длительный срок службы.Его способность выдерживать ток переключения до 21 А делает его идеальным для тяжелых условий эксплуатации.Микропереключатель NV-16W — это надежное и универсальное решение для приложений, требующих точного управления, переключения больших токов и долгосрочной работы.
Micro Switch NV-16W — это высокопроизводительный переключатель, который включает в себя несколько ключевых функций для удовлетворения различных требований.Микропереключатели — это обычно используемые электронные переключатели, работающие на основе механического спускового механизма.Обычно они состоят из пружины и подвижного привода.
Когда к приводу прилагается внешняя сила, он перемещается, а затем возвращается в исходное положение за счет силы пружины.Движение привода приводит к размыканию или замыканию внутренних контактов переключателя, тем самым контролируя состояние включения/выключения цепи.
Привод микропереключателя может иметь различную форму и длину для удовлетворения различных требований применения.Это может быть шар, плоский стержень или выступающий стержень.В зависимости от формы и положения привода микровыключатели могут иметь различные методы срабатывания и характеристики действия.
Микропереключатель NV-16W — это ультрасовременный переключатель, сочетающий в себе расширенные функции для удовлетворения широкого спектра требований.Благодаря конструкции, имитирующей роликовый рычаг, этот высокопроизводительный переключатель обеспечивает точное и надежное срабатывание.Он работает за счет использования рычага, который перемещает имитируемый ролик к набору контактов, обеспечивая точный контроль и обнаружение.
Примечательно, что микропереключатель NV-16W может похвастаться впечатляющей способностью выдерживать ток переключения до 21 А.Эта способность делает его отличным выбором для тяжелых условий эксплуатации в промышленном оборудовании, системах распределения электроэнергии и автомобильной промышленности.Переключатель гарантирует надежную работу и долговечность даже в тяжелых условиях.
Надежность, высокая чувствительность и длительный срок службы — ключевые характеристики микропереключателя NV-16W.В его конструкции используются высококачественные материалы и компоненты, обеспечивающие долговечность и стабильную работу в суровых условиях.Высокая чувствительность переключателя позволяет ему обнаруживать даже малейшее усилие или движение, что делает его пригодным для применений, требующих точного управления или обнаружения.Эта чувствительность повышает производительность системы, обеспечивая точное и быстрое переключение.
Микропереключатель NV-16W находит широкое применение в различных отраслях и отраслях.Он обычно используется, среди прочего, в промышленной автоматизации, робототехнике, системах распределения электроэнергии и автомобильной промышленности.Его универсальность, высокая коммутационная способность, надежность, чувствительность и длительный срок службы делают его идеальным выбором для приложений, требующих точного управления, тяжелого переключения и длительной работы.
В заключение отметим, что микропереключатель NV-16W — это усовершенствованный переключатель, в котором используется конструкция с имитацией роликового рычага, обеспечивающая надежность, высокую чувствительность и длительный срок службы.Его способность выдерживать ток переключения до 21 А делает его идеальным для тяжелых условий эксплуатации.Микропереключатель NV-16W — это надежное и универсальное решение для приложений, требующих точного управления, переключения больших токов и долгосрочной работы.