ННК68А
CLION
| штат: | |
|---|---|
| Количество: | |
Электромагнитное реле LY2 — это современное электрическое устройство, которое предлагает несколько ключевых функций для эффективной и надежной работы.Это реле, оснащенное светодиодным индикатором SMD, обеспечивает визуальную обратную связь, позволяя пользователям легко определять его состояние.Светодиодный индикатор повышает удобство и удобство использования реле, особенно в приложениях, где требуется быстрый мониторинг.
Одной из примечательных особенностей реле LY2 является его более высокий КПД благодаря использованию металлического фиксатора.Металлический фиксатор обеспечивает надежный и стабильный контакт между катушкой и контактами, сводя к минимуму потери энергии и повышая общую производительность реле.Эта особенность делает реле LY2 идеальным выбором для приложений, требующих высокой эффективности и оптимального использования энергии.
Кроме того, реле LY2 имеет более длительный срок службы благодаря медной катушке.Медная катушка обеспечивает превосходную проводимость и рассеивание тепла, что приводит к снижению износа с течением времени.Этот увеличенный срок службы обеспечивает надежность и долговечность реле LY2, что делает его пригодным для длительного использования в различных сложных условиях.
Реле LY2 также имеет высокий коммутационный ток, что позволяет ему эффективно справляться с большими электрическими нагрузками.Благодаря максимальному коммутационному току это реле может без каких-либо проблем контролировать и регулировать цепи большой мощности.Эта особенность делает реле LY2 подходящим для применений, требующих управления значительными электрическими токами.
Наконец, электромагнитное реле LY2 предлагает преимущество настраиваемой заводской таблички, позволяющей персонализировать маркировку и идентификацию.Эта функция обеспечивает легкую идентификацию и организацию реле в различных приложениях.Благодаря настраиваемой заводской табличке пользователи могут удобно маркировать реле в соответствии со своими конкретными требованиями, что повышает общую эффективность и простоту использования.
Подводя итог, можно сказать, что электромагнитное реле LY2 — это высокоэффективное и надежное устройство, которое включает в себя несколько ключевых функций для оптимальной работы.Благодаря светодиодному индикатору SMD, металлическому фиксатору для повышения эффективности, медной катушке для увеличения срока службы, высокому току переключения и блокируемой тестовой кнопке для простоты эксплуатации реле LY2 является универсальным компонентом, подходящим для различных применений в различных отраслях промышленности.
НИЗКИЙ ТОК, НИЗКОЕ НАПРЯЖЕНИЕ
может быть вашим первым выбором
NNC68AVL(JQX-13F) Реле общего назначения |
| ||||
Модель и описание | |||||
| ННК68АВЛ-2З | |||||
★ Форма обратной связи: H=НЕТ, D=НЗ, Z=НО&НЗ. | |||||
Спецификация | |||||
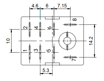
Измерение | 27,3 мм*21 мм*35 мм | ||||
Контактная информация | Форма | 2Z(ДПСТ);2H(ДПСТ-НО);2D(ДПСТ-НЗ) | |||
Номинальная нагрузка | 12А | ||||
Макс. напряжение переключения | 240 В переменного тока/28 В постоянного тока | ||||
Контактное сопротивление | ≤100 мОм | ||||
Материал | Ag сплав (AgSnO2) | ||||
Электрическая жизнь | ≥1*105 | ||||
Механическая жизнь | ≥1*107 | ||||
Рабочее напряжение (23 ℃) | Постоянный ток: ≤75%*Номинальное напряжение, переменный ток:≤80%*Номинальное напряжение | ||||
Напряжение отпускания (23 ℃) | Постоянный ток: ≥10%*Номинальное напряжение, переменный ток:≥30%*Номинальное напряжение | ||||
Максимальное напряжение (23 ℃) | 110%*Номинальное напряжение | ||||
Напряжение катушки | DC6-220V, AC6-380V (допускается настройка) | ||||
Мощность катушки | Постоянный ток: 0,9 Вт, переменный ток: 1,2 ВА | ||||
Время забирать | ≤15 мс | ||||
Время выпуска | ≤10 мс | ||||
Диэлектрическая прочность | Между разомкнутыми контактами одного полюса | 1000 В переменного тока в течение 1 минуты | |||
Между контактами разных полюсов | 1000 В переменного тока в течение 1 минуты | ||||
Между контактами и катушкой | 1500 В переменного тока в течение 1 минуты/4500 В переменного тока в течение 1 минуты | ||||
Изоляционное сопротивление | ≥100 мОм (500 В постоянного тока) | ||||
Температура окружающей среды | -40°С ~ 85°С | ||||
Влажность окружающей среды | 45%-75% относительной влажности | ||||
Атмосферное давление | 86-106кПа | ||||
Ударопрочность | 10G (синусоидальный полуволновой импульс: 11 мс) | ||||
Устойчивость к вибрации | 10–55 Гц (двойная амплитуда: 1,5 мм) | ||||
Монтаж | Печатная плата или розетка с DIN-рейкой | ||||
Масса | Прибл.35 г/шт. | ||||
Упаковка | Коробка с бумажной коробкой внутри | 600 шт/коробка, вес: 21 кг, вес 20 кг, размер (мм): 330×310×345 | |||
Измерение | 27,3 мм*21 мм*35 мм | ||||
Схема подключения и вид снизу | |||||
График производительности | |||||
Электромагнитное реле LY2 — это современное электрическое устройство, которое предлагает несколько ключевых функций для эффективной и надежной работы.Это реле, оснащенное светодиодным индикатором SMD, обеспечивает визуальную обратную связь, позволяя пользователям легко определять его состояние.Светодиодный индикатор повышает удобство и удобство использования реле, особенно в приложениях, где требуется быстрый мониторинг.
Одной из примечательных особенностей реле LY2 является его более высокий КПД благодаря использованию металлического фиксатора.Металлический фиксатор обеспечивает надежный и стабильный контакт между катушкой и контактами, сводя к минимуму потери энергии и повышая общую производительность реле.Эта особенность делает реле LY2 идеальным выбором для приложений, требующих высокой эффективности и оптимального использования энергии.
Кроме того, реле LY2 имеет более длительный срок службы благодаря медной катушке.Медная катушка обеспечивает превосходную проводимость и рассеивание тепла, что приводит к снижению износа с течением времени.Этот увеличенный срок службы обеспечивает надежность и долговечность реле LY2, что делает его пригодным для длительного использования в различных сложных условиях.
Реле LY2 также имеет высокий коммутационный ток, что позволяет ему эффективно справляться с большими электрическими нагрузками.Благодаря максимальному коммутационному току это реле может без каких-либо проблем контролировать и регулировать цепи большой мощности.Эта особенность делает реле LY2 подходящим для применений, требующих управления значительными электрическими токами.
Наконец, электромагнитное реле LY2 предлагает преимущество настраиваемой заводской таблички, позволяющей персонализировать маркировку и идентификацию.Эта функция обеспечивает легкую идентификацию и организацию реле в различных приложениях.Благодаря настраиваемой заводской табличке пользователи могут удобно маркировать реле в соответствии со своими конкретными требованиями, что повышает общую эффективность и простоту использования.
Подводя итог, можно сказать, что электромагнитное реле LY2 — это высокоэффективное и надежное устройство, которое включает в себя несколько ключевых функций для оптимальной работы.Благодаря светодиодному индикатору SMD, металлическому фиксатору для повышения эффективности, медной катушке для увеличения срока службы, высокому току переключения и блокируемой тестовой кнопке для простоты эксплуатации реле LY2 является универсальным компонентом, подходящим для различных применений в различных отраслях промышленности.
НИЗКИЙ ТОК, НИЗКОЕ НАПРЯЖЕНИЕ
может быть вашим первым выбором
NNC68AVL(JQX-13F) Реле общего назначения |
| ||||
Модель и описание | |||||
| ННК68АВЛ-2З | |||||
★ Форма обратной связи: H=НЕТ, D=НЗ, Z=НО&НЗ. | |||||
Спецификация | |||||
Измерение | 27,3 мм*21 мм*35 мм | ||||
Контактная информация | Форма | 2Z(ДПСТ);2H(ДПСТ-НО);2D(ДПСТ-НЗ) | |||
Номинальная нагрузка | 12А | ||||
Макс. напряжение переключения | 240 В переменного тока/28 В постоянного тока | ||||
Контактное сопротивление | ≤100 мОм | ||||
Материал | Ag сплав (AgSnO2) | ||||
Электрическая жизнь | ≥1*105 | ||||
Механическая жизнь | ≥1*107 | ||||
Рабочее напряжение (23 ℃) | Постоянный ток: ≤75%*Номинальное напряжение, переменный ток:≤80%*Номинальное напряжение | ||||
Напряжение отпускания (23 ℃) | Постоянный ток: ≥10%*Номинальное напряжение, переменный ток:≥30%*Номинальное напряжение | ||||
Максимальное напряжение (23 ℃) | 110%*Номинальное напряжение | ||||
Напряжение катушки | DC6-220V, AC6-380V (допускается настройка) | ||||
Мощность катушки | Постоянный ток: 0,9 Вт, переменный ток: 1,2 ВА | ||||
Время забирать | ≤15 мс | ||||
Время выпуска | ≤10 мс | ||||
Диэлектрическая прочность | Между разомкнутыми контактами одного полюса | 1000 В переменного тока в течение 1 минуты | |||
Между контактами разных полюсов | 1000 В переменного тока в течение 1 минуты | ||||
Между контактами и катушкой | 1500 В переменного тока в течение 1 минуты/4500 В переменного тока в течение 1 минуты | ||||
Изоляционное сопротивление | ≥100 мОм (500 В постоянного тока) | ||||
Температура окружающей среды | -40°С ~ 85°С | ||||
Влажность окружающей среды | 45%-75% относительной влажности | ||||
Атмосферное давление | 86-106кПа | ||||
Ударопрочность | 10G (синусоидальный полуволновой импульс: 11 мс) | ||||
Устойчивость к вибрации | 10–55 Гц (двойная амплитуда: 1,5 мм) | ||||
Монтаж | Печатная плата или розетка с DIN-рейкой | ||||
Масса | Прибл.35 г/шт. | ||||
Упаковка | Коробка с бумажной коробкой внутри | 600 шт/коробка, вес: 21 кг, вес 20 кг, размер (мм): 330×310×345 | |||
Измерение | 27,3 мм*21 мм*35 мм | ||||
Схема подключения и вид снизу | |||||
График производительности | |||||